發布日期:2021-11-05 瀏覽:1013 次
繼電保護測試儀同期試驗模塊用于測試同期裝置的動作電壓、動作頻率、動作角度以及進行自動同期調整試驗。

一.界面說明
1.使用本程序,測試儀只輸出電壓值,不輸出電流值
一般系統側選UA,待并側選UB,開入量端子1—8任選一個。可選【手動試驗】或【自動試驗】。自動準同期調整只有【自動試驗】方式。
2.同期裝置動作的基本條件
當待并側與系統側的頻率基本相等、電壓幅值基本相等以及角度差小于一定值,同時滿足這三個條件時,同期裝置立即發出合閘信號。
3.測試項目
3.1.測試動作電壓
系統側電壓UA=100V,相位0°,頻率50Hz。系統側參數是恒定值。設待并側電壓UB=90V,相位0°,頻率50Hz。可以看出只有幅值不等,其他兩項滿足條件,采用手動或自動方式遞增UB相幅值,當其接近UA相幅值時,同期裝置動作,程序記錄此時的UB幅值為動作電壓值。
3.2.測試動作頻率
系統側電壓UA=100V,相位0°,頻率50Hz。系統側參數是恒定值。設待并側電壓UB=100V,相位0°,頻率49Hz。可以看出只有頻率不等,其他兩項滿足條件,采用【手動試驗】或【自動試驗】方式遞增UB相的頻率,當其接近UA相的頻率時,同期裝置動作,程序記錄此時UB的頻率值作為動作頻率值。
3.3.測試動作相位
系統側電壓UA=100V,相位0°,頻率50Hz。 系統側參數是恒定值。設待并側電壓UB=100V,相位340°,頻率50Hz。可以看出只有相位不等,其他兩項滿足條件,采用手動或自動方式遞增UB的相位,當其接近UA的相位值時,同期裝置動作,程序記錄此時UB的相位值作為動作相位值。
3.4.自動準同期調整
如右圖所示,兩側只有相位相等,其他條件不滿 足同期條件,所不同的是變化頻率和變化幅值的命令不是由程序來控制,而是由同期裝置的開出量來控制。通過將其接入測試儀的開入量來發出改變頻率和幅值的命令。程序定義測試儀的開入量端子5為增頻,開入量端子6為減頻,開入量端子7為增壓,開入量端子8為減壓。動作接點可選開入量端子1—4中的任意一個,當滿足同期條件時,測試儀記錄動作頻率和動作電壓。

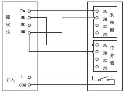
二.接線方式--如圖所示:

三.注意事項
進行同期試驗測試時,開始應按下同期裝置的啟動按鈕,同期裝置才能進入等待同期狀態。試驗前,請先查找裝置上的同期啟動信號輸入端子,引出兩根線,并先把它們短接,以啟動同期裝置,然后再開始試驗。
另外,有些同期裝置能設置同期時間,做試驗時,如果同期過程超過該時間,裝置將閉鎖本次同期合閘,同時發出告警信號。如果要繼續做試驗,則應再次按下同期啟動按鈕,或將上述兩根線短接,以再次啟動同期裝置。
優力克電力是電力試驗設備的生產廠家,我們的產品全程提供專業的技術服務。

本公司生產全面貫徹 ISO9001:2015 質量管理體系認證證書及文字商標和圖片商標注冊

本公司與武漢各大高校和武漢高壓研究所有著緊密合同關系,有著明細的技術優勢和穩定技術方案

公司具有專業的銷售和技術支持團隊隨時了解和客戶溝通產品的應用情況,提供一對一高效專業的服務

產品全部執行ISO9001質量管理體系,SMT自動化的生產,半成品檢測,成品檢測拷機,讓每一個產品都經過5次以上的100%測試,確保產品質量100%

公司具有精準的預期備貨和保持穩定的安全庫存,滿足客戶的緊急需求和批量性采購需求

公司產品每年抽樣送第三方檢驗(如湖北省技術監督局、武漢市計量院),符合出廠標準和第三方檢測指標要求