發布日期:2022-03-08 瀏覽:1010 次
繼電保護測試儀的差動繼電器模塊可對BCH型差動繼電器做比例制動試驗,對DCD型差動繼電器做直流助磁試驗。程序采用二分法自動查找動作邊界。

一.界面說明
1.【測試項目選擇】
【比例制動】、【直流助磁】二項目選一。
2.【測試電流】選擇
IA為動作電流(ID)。
IB為制動電流或助磁直流(IZ)。
3.【起動電流】
在沒有制動情況下的最小動作電流。
4.【測量點數】一般固定為10個點。
5.【送量時間】為有電流輸出的維持時間
6.【復歸時間】為無電流輸出的時間。
7.開入量選擇:1--8路任選一路。
8.制動電流選擇和修改。如上圖所示,在測試結果欄里有一組制動電流的數據,用戶可直接修改。

二.測試原理
程序對每一個制動電流下對應的動作電流進行自動測試,測得相應的一組動作電流,并在坐標系中描繪動作曲線。制動系數的計算由用戶在制動電流中選兩個點來計算。
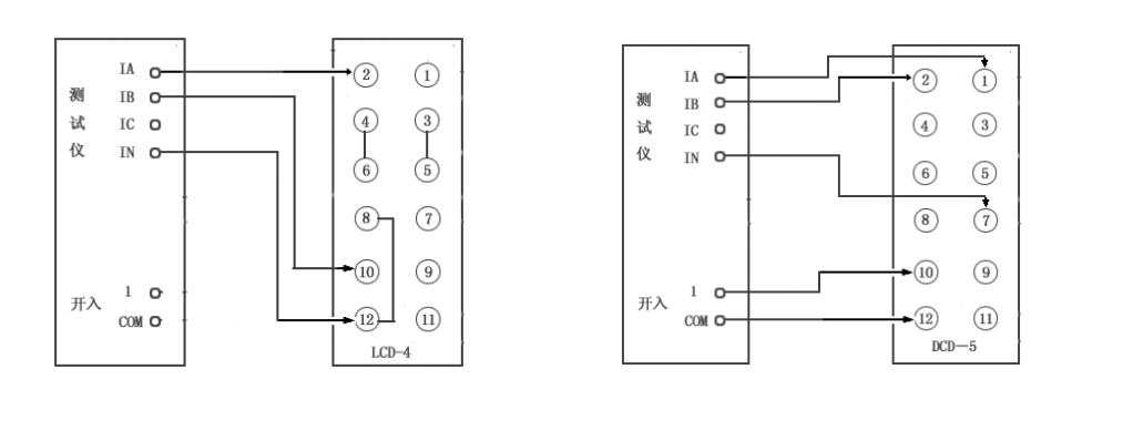
三.試驗接線--如圖所示:

優力克電力是電力試驗設備的生產廠家,我們的產品全程提供專業的技術服務。

本公司生產全面貫徹 ISO9001:2015 質量管理體系認證證書及文字商標和圖片商標注冊

本公司與武漢各大高校和武漢高壓研究所有著緊密合同關系,有著明細的技術優勢和穩定技術方案

公司具有專業的銷售和技術支持團隊隨時了解和客戶溝通產品的應用情況,提供一對一高效專業的服務

產品全部執行ISO9001質量管理體系,SMT自動化的生產,半成品檢測,成品檢測拷機,讓每一個產品都經過5次以上的100%測試,確保產品質量100%

公司具有精準的預期備貨和保持穩定的安全庫存,滿足客戶的緊急需求和批量性采購需求

公司產品每年抽樣送第三方檢驗(如湖北省技術監督局、武漢市計量院),符合出廠標準和第三方檢測指標要求